我要收藏
公共资源调用站点
文章分享
各县(市、区)应急管理局、财政局,各开发园区安监局:
现将《玉林市安全生产举报奖励办法》印发给你们,请遵照执行。
玉林市应急管理局 玉林市财政局
2023年11月8日
玉林市安全生产举报奖励办法
第一章总则
第一条 为进一步加强安全生产工作的社会监督,鼓励举报事故隐患和安全生产违法行为,及时发现并排除事故隐患,制止和惩处违法行为,依据《中华人民共和国安全生产法》等有关法律法规和《国务院安委会印发〈关于进一步强化安全生产责任落实坚决防范重特大事故的若干措施〉的通知》(安委〔2022〕6号)、《国家安监总局财政部关于印发〈安全生产领域举报奖励办法〉的通知》(安监总财〔2018〕19号)《广西壮族自治区安全生产委员会办公室 广西壮族自治区应急管理厅 广西壮族自治区财政厅关于印发〈广西壮族自治区安全生产领域举报奖励办法(试行)〉的通知》(桂安委办〔2023〕23号)等文件要求,制定本办法。
第二条 本办法适用于玉林市行政区域内生产安全事故隐患、安全生产违法行为的举报奖励。火灾隐患、森林防灭火隐患和道路交通、铁路交通、水上交通、民用航空、建筑施工、特种设备等行业领域安全生产的举报奖励,按其行业管理部门的有关规定执行。
第三条 任何单位、组织和个人(以下统称举报人)对非煤矿山、化工(含石油化工)、危险化学品、烟花爆竹、冶金、有色、建材、机械、轻工、纺织、烟草、商贸等工矿商贸领域事故隐患和安全生产违法行为,均有权向市、县两级应急管理部门举报。
第四条 举报奖励遵循“合法举报、适当奖励、属地管理、分级负责”和“谁受理、谁奖励”的原则。玉林市应急管理局负责市级受理的安全生产举报奖励工作;县(市、区)应急管理部门、开发园区安全生产监督管理部门负责本级受理的安全生产举报奖励工作。
第五条 市、县两级应急管理部门应建立健全本行业领域事故隐患和安全生产违法行为举报的受理、核查、处理、协调、督办、移送、答复、统计和报告等制度,向社会公开通信地址、邮政编码、举报电话、电子邮箱、网络举报平台以及奖金领取办法,并对举报事项分类登记、建档和管理。
第二章举报奖励范围
第六条 本办法所称事故隐患,是指在生产经营活动中存在可能导致事故发生的物的危险状态、人的不安全行为和管理上的缺陷。事故隐患分为一般事故隐患和重大事故隐患。一般事故隐患,是指危害和整改难度较小,发现后能够立即整改排除的隐患。重大事故隐患,是指危害和整改难度较大,应当全部或者局部停产停业,并经过一定时间整改治理方能排除的隐患,或者因外部因素影响致使生产经营单位自身难以排除的隐患。非煤矿山、工贸、化工和危险化学品、烟花爆竹等行业领域的重大事故隐患,具体以相关行业领域有关法律、行政法规、标准对重大事故隐患的认定标准规定为依据。
第七条 本办法所称安全生产违法行为,按照《中华人民共和国安全生产法》及其他有关法律法规、国家标准和行业标准进行认定。结合我市实际,重点包括以下情形和行为:
(一)谎报或瞒报生产安全事故,伪造或故意破坏事故现场,转移、隐匿资金、财产或销毁有关证据、材料的。
(二)无证开采、超越批准的矿区范围采矿,违规建设、边建设边生产,以采代建、以掘代采,隐蔽作业、逃避监管,以及从事各类非法违法小作坊、“黑窝点”的。
(三)关闭、破坏直接关系生产安全的监控、报警、防护、救生设备、设施,或者篡改、隐瞒、销毁其相关数据、信息的。
(四)重大事故隐患隐瞒不报,或者不按规定期限予以整治,或者生产经营单位主要负责人在发生伤亡事故后逃匿的。
(五)没有获得相关安全生产许可证或者证照不全、证照过期、证照未变更从事生产经营、建设活动的;未依法取得批准或者验收合格,擅自从事生产经营活动的;关闭取缔后又擅自从事生产经营、建设活动的;停产整顿、整合技改未经验收,擅自组织生产和违反建设项目安全设施“三同时”规定的。
(六)未依法对从业人员进行安全生产教育和培训,或者非煤矿山和危险化学品生产、经营、储存单位,金属冶炼单位主要负责人和安全生产管理人员未依法经安全生产知识和管理能力考核合格,或者特种作业人员未依法取得特种作业操作资格证书而上岗作业的。
(七)超能力、超强度、超定员以及现场管理混乱、违章操作、违章指挥和违反劳动纪律的。
(八)将生产经营项目、场所、设备发包或者出租给不具备安全生产条件或者相应资质(资格)的单位或个人,或者未与承包单位、承租单位签订专门的安全生产管理协议,或者未在承包合同、租赁合同中明确各自的安全生产管理职责,或者未对承包、承租单位的安全生产进行统一协调、管理的。
(九)安全生产工艺系统、技术装备、监控设施、作业环境、劳动防护用品配备不符合规定要求,或新材料、新设计、新装备、新技术未经安全检测核准投入使用,或者投入使用前未对从业人员进行专门的安全生产教育和培训,或者使用应淘汰、禁止的危及生产安全的工艺、设备的。
(十)承担安全评价、认证、检测、检验工作的机构出具虚假证明文件的。
(十一)其他违反法律、行政法规、国家标准或者行业标准规定的安全生产违法行为。
第八条 举报人举报的事故隐患和安全生产违法行为,属于生产经营单位未上报、媒体未曝光、负有安全监管职责的部门没有发现,或者虽然发现但未按有关规定依法处理,经核查属实的,给予举报人现金奖励。
第九条 举报人原则上应逐级举报。县级应急管理部门未按要求及时处理的,举报人可以逐级向上级应急管理部门举报。举报人举报的事项应当客观真实,并对其举报内容的真实性负责,不得捏造、歪曲事实,不得诬告、陷害他人和企业;否则,一经查实,依法追究举报人的法律责任。
第三章举报受理
第十条 举报人可以通过书信、电子邮件、传真、走访、安全生产举报系统和安全生产举报微信小程序等方式举报安全生产事故隐患和安全生产违法行为。市级举报受理单位:玉林市应急管理局,地址:玉林市人防大厦,邮编:537000;举报电话:0775—12350;举报传真:0775—2959580;举报网站:广西玉林市应急管理局网站。
其他行业领域涉及安全生产举报事项的受理单位及举报联系方式由其另行规定。
第十一条 举报奖励分为实名举报和匿名举报。鼓励举报人实名举报并留下联系方式,以便核查和实施奖励;对不愿公开自己姓名、联系方式的举报人,尊重其意愿。
第十二条 举报人应当提供有效的证据线索,明确举报对象,举报事项以及违法事实。举报事项存在下列情形之一的,不予受理:
(一)无明确举报对象或者具体举报事项。
(二)举报提供的线索事先已被行政主管部门掌握。
(三)已经受理且正在核查处理的举报事项,重复举报的。
(四)其他不属于本办法所指受理范围的举报事项。
第十三条 应急管理部门接到举报后,应及时接收和处置举报信息,在3个工作日内决定处理方式,填写《安全生产举报处置卡》(附件1),建立举报受理台账。举报事项属于县(市、区)、开发园区管辖的,由市应急管理局转辖区应急管理部门处理;不属于应急管理部门受理范围的,应当告知举报人向有处理权的单位举报,或者在3个工作日内将举报材料移送有处理权的单位,并采取适当方式告知举报人,无法取得联系的除外。
第十四条 参与举报处理工作的人员应严格遵守保密纪律,妥善保管和使用举报材料,严格控制有关举报信息知悉范围,依法保护举报人合法权益,未经其同意,不得以任何方式泄露其姓名、身份、联系方式、举报内容、奖励等信息,违者依法依规追究相应责任。涉及商业秘密、个人隐私等信息,确需公开的,依照《中华人民共和国政府信息公开条例》等有关规定执行。
第十五条 对受理的举报,受理部门应立即组织相关人员核查处理,自受理之日起60日内办结,并按照“谁承办、谁反馈”的原则,及时向举报人反馈举报事项办理进展情况;情况复杂的,可以适当延长核查处理时间,但延长期限不得超过30日,并告知举报人延长理由。受理涉及人员死亡的举报事项,应当报县级以上人民政府组织核查处理。
第十六条 在调查核实结束后10日内,除无法联系举报人外,应当采取适当方式向举报人反馈核查结果。
第四章举报奖励
第十七条 经调查属实的,受理举报的应急管理部门应当按下列规定对举报人给予现金奖励:
(一)对举报一般事故隐患的,经核查属实,每条奖励100元,每次累计500元为限。
(二)对举报重大事故隐患或安全生产严重违法行为的,奖励金额按照行政处罚金额的15%计算,最低奖励3000元,最高不超过5万元。
(三)对举报瞒报、谎报事故的,按照最终确认的事故等级和查实举报的瞒报谎报死亡人数给予奖励。其中:一般事故按每查实瞒报谎报1人奖励3000元计算;较大事故按每查实瞒报谎报l人奖励5000元计算;重大事故按每查实瞒报谎报1人奖励1万元计算;特别重大事故按每查实瞒报谎报l 人奖励2万元计算。奖励累计最高不超过5万元。
(四)生产经营单位应当建立内部举报奖励制度,在作业场所醒目位置设立安全生产举报奖励公告牌,鼓励单位内部员工积极举报本单位的事故隐患和安全生产违法行为经应急管理部门核查属实的,奖励金额上浮20%,最高不超过10000元。
(五)生产经营单位安全生产管理人员因履行安全生产管理职责,发现事故隐患和安全生产违法行为的,应依法立即处理;不能处理的,应报告本单位有关负责人及时处理。生产经营单位负责人未及时或有效处理的,生产经营单位安全生产管理人员的举报才可纳入奖励范围。不得以举报代替应依法履行的安全生产管理职责。
第十八条 下列举报不适用于本办法的奖励规定:
(一)正在查处的事故隐患和违法行为。
(二)生产经营单位已开始整改或已向负有安全监管职责的部门报告隐患整改方案的。
(三)具有安全生产、监管、监察职责的工作人员以及执法、督导检查中聘请的专家和其他有关人员举报的,或者授意其近亲属及其他人举报的。
(四)匿名举报且未提供有效联系方式的。
(五)已进入诉讼、仲裁、行政复议等法定程序的。
(六)生产安全事故已依法调查处理的。
(七)重复举报的。
(八)举报受理部门依法认为不应奖励的。受理举报部门认为举报人举报的事项不适用本办法奖励规定的,应告知举报人不予奖励的决定及理由。
第五章奖金发放
第十九条 各级举报奖励资金纳入同级财政预算。各级应急管理部门应当加强举报奖励资金申报和发放管理,自觉接受审计、监察等部门监督。
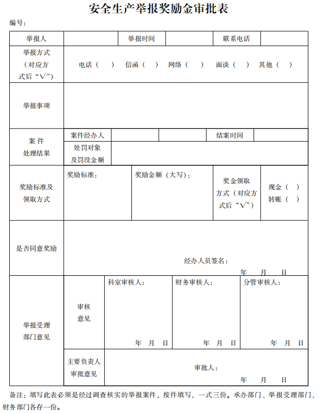
第二十条 举报奖励金的确定。奖金的具体数额由负责核查处理举报事项的应急管理部门根据具体情形及本办法第十七条规定的标准确定,填写《安全生产举报奖励金审批表》(附件2)报本单位领导审核批准。
第二十一条 举报奖励的实施应遵循以下规则:
(一)多人多次举报同一事项的,由最先受理举报的应急管理部门给予有功的实名举报人一次性奖励。
(二)多人联名举报同一事项的,由实名举报的第一署名人或者第一署名人书面委托的其他署名人领取奖金。
(三)以单位或者组织名义举报的,奖励资金发给举报单位或者组织。
(四)举报人就同一事项分别向多个部门举报的,由最先受理举报的部门予以一次性奖励。
(五)事故隐患和安全生产违法行为的举报事项,核查部分属实的,只奖励核查结果与举报事项一致部分。
(六)生产经营单位从业人员举报本单位事故隐患和安全生产违法行为的,举报人领取现金奖励时,应当提供身份证件复印件以及签订的有效劳动合同等可以证明其生产经营单位从业人员身份的材料。
第二十二条 举报奖励金的领取。对于核查属实的举报事项,举报受理部门应于处罚或核查结束后15个工作日内通知举报人领奖。举报人接到领奖通知后,应在60日内凭举报人有效证件到指定地点领取奖金,验清身份证原件后,由举报人提交身份证复印件(委托人代领的应同时提交举报人和代领人身份证复印件)并在《安全生产举报奖励金领取单》(附件3)签字,工作人员向领取人发放奖励资金;无法通知举报人的,受理举报的部门可以在一定范围内进行公告。逾期未领取奖金者,视为放弃领奖权利。
第二十三条 移交相关部门核查的案件线索的举报奖励,由该部门按其有关奖励规定执行。
第二十四条 各级应急管理部门负责辖区内举报奖励情况的统计上报工作。县级应急管理部门每月1日前,将上个月本行业领域举报奖励情况报送上级应急管理部门。
第六章附则
第二十五条 本办法由玉林市应急管理局和财政局负责解释。
第二十六条 本办法自印发之日起施行。原《玉林市应急管理局 玉林市财政局关于印发〈玉林市安全生产举报奖励办法〉的通知》(玉应急规〔2020〕1号)同时废止。
附件:1.安全生产举报处置卡
2.安全生产举报奖励金审批表
3.安全生产举报奖励金领取单
附件1

附件2

附件3

文件下载:
玉林市应急管理局 玉林市财政局关于印发《玉林市安全生产举报奖励办法》的通知.docx
文件下载:
关联文件: